Index of /ftp/share/Documentation/Tascam/Tascam M520/


../
Block Diagram.zip                                  27-May-2009 16:41              927286
Controls and Jacks Layout.zip                      27-May-2009 16:41             1374063
Level Diagram.zip                                  27-May-2009 16:41             1126718
M520 Schematics.zip                                02-Jun-2009 22:34            30577192
PS-520 Schematic.jpg                               02-Jun-2009 22:40              244812
Specifications.zip                                 27-May-2009 16:41             1036477
Tascam M-520 Capacitor List.XLS                    28-Aug-2008 21:58               27136
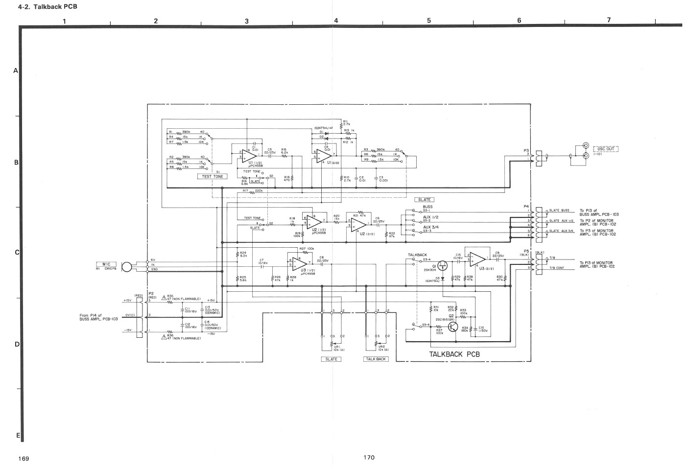
Tascam M-520 Talkback PCB Schematic.jpg            10-Jun-2009 17:31              130692
Tascam M520 Schematics.zip                         02-Jun-2009 22:34            30577192
Virtual Tascam M-520.swf                           24-Jul-2008 00:21               41324
Virtual Tascam M-520.zip                           29-May-2009 00:05               11389